Các hệ thống cấp nước, phân loại và lựa chọn
Hệ thống cấp nước là tổ hợp các công trình thu nước, vận chuyển nước, xử lý nước, điều hoà và phân phối nước tới đối tượng sử dụng nước.
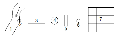
Sơ đồ hệ thống cấp nước trực tiếp
- Nguồn nước: nước mặt hoặc nước ngầm
- Công trình thu + Trạm bơm cấp 1: thu nước từnguồn và bơm lên trạm xử lý
- Trạm xử lý: làm sạch nước nguồn đạt yêu cầu chất lượng sử dụng
- Bể chứa nước sạch: điều hoà lưu lượng giữa trạm bơm cấp 1 và cấp 2
- Trạm bơm cấp 2: đưa nước đã xử lý từ bể chứa nước sạch đến mạng lưới tiêu dùng
- Đài nước: điều hoà lưu lượng giữa trạm bơm cấp 2 và mạng lưới tiêu dùng
- Mạng lưới truyền dẫn và phân phối: gồm mạng cấp 1 truyền dẫn, mạng cấp 2 phân phối và mạng cấp 3 đấu nối với các ống cấp vào nhà.
Các yêu cầu cơ bản đối với một hệ thống cấp nước là:
- Bảo đảm đưa đầy đủ và liên tục lượng nước cần thiết đến các nơi tiêu dùng.
- Bảo đảm chất lượng nước đáp ứng các yêu cầu sử dụng
- Giá thành xây dựng và quản lý rẻ
- Thi công và quản lý dễ dàng thuận tiện, có khả năng tự động hoá và cơ giới hoá việc khai thác, xử lý và vận chuyển nước..
Phân loại hệ thống cấp nước
1. Theo đối tượng phục vụ
- Hệ thống cấp nước đô thị
- Hệ thống cấp nước khu công nghiệp, nông nghiệp
- Hệ thống cấp nước đường sắt
2. Theo chức năng phục vụ
- Hệ thống cấp nước sinh hoạt
- Hệ thống cấp nước sản xuất
- Hệ thống cấp nước chữa cháy
3. Theo phương pháp sử dụng nước
- Hệ thống cấp nước trực tiếp:nước dùng xong thải đi ngay (Hình 1)
- Hệ thống cấp nước tuần hoàn: nước chảy tuần hoàn trong một chu trình kín. Hệ thống này tiết kiệm nước vì chỉ cần bổ sung một phần nước hao hụt trong quá trình tuần hoàn, thường dùng trong công nghiệp.(Hình2)
- Hệ thống cấp nước dùng lại: nước có thể dùng lại một vài lần rồi mới thải đi, thường áp dụng trong công nghiệp.
Sơ đồ hệ thống cấp nước tuần hoàn
4. Theo nguồn nước
- Hệ thống cấp nước ngầm
- Hệ thống cấp nước mặt
5. Theo nguyên tắc làm việc
- Hệ thống cấp nước có áp: nước chảy trong ống chịu áp lực do bơm hoặc bể chứa nước trên cao tạo ra.
- Hệ thống cấp nước tự chảy (không áp): nước tự chảy theo ống hoặc mương hở do chênh lệch địa hình.
6. Theo phạm vi cấp nước
- Hệ thống cấp nước thành phố
- Hệ thống cấp nước khu dân cư, tiểu khu nhà ở
- Hệ thống cấp nước nông thôn
7. Theo phương pháp chữa cháy
- Hệ thống chữa cháy áp lực thấp: áp lực nước ở mạng lưới đường ống cấp nước thấp nên phải dùng bơm đặt trên xe chữa cháy nhằm tạo ra áp lực cần thiết để dập tắt đám cháy. Bơm có thể hút trực tiếp từ đường ống thành phố hay từ thùng chứa nước trên xe chữa cháy.
- Hệ thống chữa cháy áp lực cao: áp lực nước trên mạng lưới đường ống đảm bảo đưa nước tới mọi nơi chữa cháy, do đó đội phòng cháy chữa cháy chỉ việc lắp ống vải gai vào họng chữa cháy trên mạng lưới đường ống để lấy nước chữa cháy.
Lựa chọn Hệ thống cấp nước
Các căn cứ để lựa chọn hệ thống cấp nước: có 3 yếu tố cơ bản
- Điều kiện tự nhiên: nguồn nước, địa hình,khí hậu…
- Yêu cầu của đối tượng dùng nước: lưu lượng, chất lượng, áp lực,…
- Khả năng thực thi: khối lượng xây dựng và thiết bị kỹ thuật, thời gian, giá thành xây dựng và quản lý
Để có 1 sơ đồ hệ thống cấp nước tốt, hợp lý cần so sánh kinh tế, kỹ thuật nhiều phương án, phải tiến hành so sánh toàn bộ cũng như tổng bộ phận của sơ đồ để có được sơ đồ hệ thống hợp lý, hiệu quả kinh tế cao.
Xem thêm:
- Thi công cấp thoát nước.
- Hệ thống cấp thoát nước.
- Thiết kế hệ thống cấp thoát nước cho nhà cao tầng.
- Thiết kế hệ thống cơ điện lạnh.
- Công ty Cơ Điện Lạnh Tuổi Trẻ (YOCO M&E)
- Hệ thống xử lý nước thải 3 triệu USD
